KCB齒輪泵是我國的傳統產品,結構和設計是50年代初期引進蘇聯的產品,具有結構簡單,實用,使用維護方便等特點。KCB系列齒輪泵均設有安全閥,當KCB齒輪油泵超載時自動打開可對電機起保護作用,但不能作為常開式溢流閥來調節泵的工作壓力。
我廠生產的KCB–200B齒輪泵以上規格的產品均將安全閥改為溢流閥,可在額定壓力范圍內任意調節泵的工作壓力,不用在管路上再另行安裝溢流閥等元件,起到調節和超載保護的雙層功能。
全系列KCB齒輪泵用三爪式彈性聯軸器與電機組成油泵整機。
KCB齒輪泵主要有齒輪、軸、泵體、安全閥、軸端密封所組成。齒輪經熱處理有較高的硬度和強度,與軸一同安裝在可更換的軸套內運轉。泵內全部零件的潤滑均在泵工作時利用輸出介質而自動達到。
泵內有設計合理的泄油和回油槽,是齒輪在工作中承受的扭矩力小,因此軸承負荷小,磨損小,泵效率高。
泵設有安全閥作為超載保護,安全閥的全回流壓力為泵額定排除壓力的1.5倍,也可在允許排出壓力范圍內根據實際需要另外調整。但注意本安全閥不能作減壓閥的長期工作,需要時可在管路上另行安裝。
從主軸外伸端向泵看,為順時針旋轉。
KCB齒輪泵有良好的自吸性,泵內運動部件利用輸送的液體實現潤滑,致工作時可以不加引液和潤滑劑。
KCB齒輪泵安裝順序:
(1)將機組放在埋在有地腳螺栓的基礎上,在底座與基礎之間放成對墊,作正用。
(2)松開聯軸器,用水平儀分別放在泵軸和底座上,通過調整楔塊墊使機組至水平,找正后,適當擰緊地腳螺栓,以防走動。
(3)用混凝土灌注底座和地腳螺栓孔。
(4)待混凝土干后,檢查底座和地腳螺栓是否有不良松動等現象,檢查后應擰緊合格后應擰緊地腳螺栓,并重新檢查泵的水平度。
(5)校正泵軸和電機軸的同軸度,在聯軸器處圓上的偏差允許小于0.1毫米,兩聯軸器平面間的間隙應2~3毫米,在兩聯軸器端面上,間隙差數不得超過0.3毫米。
(6)在接好管路及確定原動機轉動方向后,再接上聯軸器,并再校核一遍圓的同軸度。
(7)在機組實際試運轉3~4小時后檢查,如沒有不良現象則認為安裝合格。
(8)在安裝過程中為防止雜物落入機器內,應將機組孔眼均蓋好。
(9)齒輪泵在開啟前對進出管路進行清洗,在齒輪泵的進口段加上過濾器,以防雜物進入泵內。
KCB齒輪泵性能參數表
| 型號 | 流量 Q | 轉速 n r/min | 排出壓力 p Mpa | 必需汽 蝕余量 r m | 效率 η % | 電動機 | ||
| m3/h | L/min | 功率KW | 型號 | |||||
| KCB-18.3 | 1.1 | 18.3 | 1400 | 1.45 | 5 | 44 | 1.5 | Y90L-4 |
| 2CY-1.1/1.45 | ||||||||
| KCB-33.3 | 2 | 33.3 | 1420 | 1.45 | 5 | 44 | 2.2 | Y100L1-4 |
| 2CY-2/1.45 | ||||||||
| KCB-55 | 3.3 | 55 | 1400 | 0.33 | 7 | 41 | 1.5 | Y90L-4 |
| 2CY-3.3/0.33 | ||||||||
| KCB-83.3 | 5 | 83.3 | 1420 | 0.33 | 7 | 43 | 2.2 | Y100L1-4 |
| 2CY-5/0.33 | ||||||||
| KCB-135 | 8 | 135 | 940 | 0.33 | 5 | 46 | 2.2 | Y112M-6 |
| 2CY-8/0.33 | ||||||||
| KCB-200 | 12 | 200 | 1440 | 0.33 | 5 | 46 | 4 | Y112M-4 |
| 2CY-12/0.33 | ||||||||
| KCB-300 | 18 | 300 | 960 | 0.36 | 5 | 42 | 5.5 | Y132M2-6 |
| 2CY-18/0.36 | ||||||||
| KCB-483.3 | 29 | 483.3 | 1440 | 0.36 | 5.5 | 42 | 11 | Y160M-4 |
| 2CY-29/0.36 | ||||||||
| KCB-633 | 38 | 633 | 970 | 0.28 | 6 | 43 | 11 | Y160L-6 |
| 2CY-38/0.28 | ||||||||
| KCB-960 | 58 | 960 | 1470 | 0.28 | 6.5 | 43 | 18.5 | Y180M-4 |
| 2CY-58/0.28 | ||||||||
| KCB-1200 | 72 | 1200 | 740 | 0.6 | 7 | 43 | 37 | Y280S-8 |
| KCB-1600 | 95 | 1600 | 980 | 45 | Y280S-6 | |||
| KCB-1800 | 112 | 1800 | 740 | 0.6 | 7.5 | 43 | 55 | Y315S-8 |
| KCB-2500 | 150 | 2500 | 985 | 75 | Y315S-6 | |||
| KCB-2850 | 170 | 2850 | 740 | 0.6 | 8 | 44 | 90 | Y315L1-8 |
| KCB-3800 | 230 | 3800 | 989 | 110 | Y315L1-6 | |||
| KCB-4100 | 245 | 4100 | 743 | 0.6 | 8 | 44 | 132 | Y355M1-8 |
| KCB-5400 | 325 | 5400 | 989 | 160 | Y355M1-6 | |||
| KCB-5600 | 330 | 5600 | 744 | 0.6 | 8 | 44 | 160 | Y355M2-8 |
| KCB-7600 | 460 | 7600 | 989 | 200 | Y355M3-6 | |||
| KCB-7000 | 420 | 7000 | 744 | 0.6 | 8 | 44 | 185 | Y355L1-8 |
| KCB-9600 | 570 | 9600 | 989 | 250 | Y355L2-6 | |||

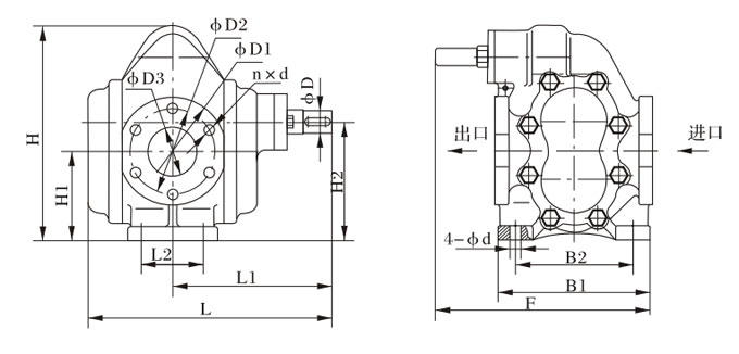
| 型號 | L | L1 | L2 | B1 | B2 | H | H1 | H2 | F | φD1 | φD2 | φD3 | n×d | φD | 4-φd |
| KCB-200 | 290 | 200 | 66 | 214 | 160 | 263.5 | 118 | 152.5 | 300 | 140 | 110 | 50 | 4-M12 | 28 | 13 |
| KCB-300 | 354 | 230 | 90 | 225 | 180 | 308 | 128 | 170 | 318 | 155 | 123 | 70 | 6-M14 | 32 | 16 |
| KCB-483.3 | 354 | 230 | 90 | 225 | 180 | 308 | 128 | 170 | 318 | 155 | 123 | 70 | 6-M14 | 32 | 16 |
| KCB-633 | 415 | 270 | 120 | 280 | 175 | 385 | 188 | 205 | 380 | 190 | 158 | 100 | 8-M14 | 38 | 18 |
| KCB-960 | 415 | 270 | 120 | 280 | 175 | 385 | 188 | 205 | 380 | 190 | 158 | 100 | 8-M14 | 38 | 18 |
上一篇:KCB齒輪油泵
下一篇:2CY齒輪泵